



































I made a second Chimera, and I think Improved on it. These templates have a lot of fiddly bits to cut out by hand, but the detail looks good when all finished!
I’m pretty happy with all three, now.




































I made a second Chimera, and I think Improved on it. These templates have a lot of fiddly bits to cut out by hand, but the detail looks good when all finished!
I’m pretty happy with all three, now.


Sorry, guys. Another setback in a very bad last few months. I had a heart attack on Monday morning.Luckily, my wife Chrissie took me straight to the hospital to get care.
It turns out, my Widowmaker Artery was 98% clogged. My doctor Dr Azuz did a heart catheter, cleared out all the gunk and put in 2 stents. My heart otherwise seems to be in pretty good shape, but thank God I got care so fast. Monday could’ve turned out so much worse.
I have a lot of healing, a change of lifestyle and work to do to get healthy.
When speaking to longtime collaborator and friends, Brian Babyok and Glenn Csonka about my plight and the both mentioned to above comic where I gave Phineus a heart attack. I should bounce back a little better than he did.
Apologies, friends.
Barry
Here is the completed sheets for you to download and print. They can be used for my RPG or as the Infected Colonies for One Page Rules. I worked briefly with OPR on these, but they wandered away from 2D minis. They were fun, though.
Phineus the RPG can be purchased HERE.





















I love the Inquisition in Warhammer 40k. I have several warbands of them in my collection. As they ally with my many armies, I need specialized transports for them. I already showed you my paperhammer rhino, so here is my paperhammer Chimera. (rhino shown for scale & upgrades I did on it)
Chimeras are extremely difficult to build, with all their weird angles and compartments. Hard but fun!
Next up will be an Inquistorial Mk1 landraider. It’ll be my third landraider to scratchbuild. After that, some sort of flyer for the Inquisition. So much fun.
























Modeling has been consuming my brain, as of late. I WILL get back to drawing, but I am having fun with this, again.
And I can’t just buy a tank kit and build it, I need to build it from scratch with cardboard, because, reasons. Well, the reasons are it’s more challenging, more fun (to me) and costs next to nothing.
Edit: I reworked the whole model after years and glowed it up. So much better!!
I’ve found some templates online and have fankensteined them together, with glue and spare bits. I’m quite happy with the process. I was able to print on chipboard as a guide, but all that will get painted over.
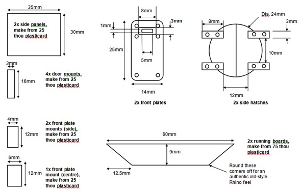
Here is a template I used as a base.


Here is another I have:
https://drive.google.com/file/d/17H1rIQzF6P7tChMvHzhXGT52VhaaFo-e/view?usp=sharing
And here is a template sheet I used to make it a MK 1. I also added leftover bits from various kits.

I aim to make a few of these to act as rhinos for my inquisition, whirlwind for my Spacemarines and chimera proxies for my Imperial Guard (part because I love the rhino chassis and part because I hate the chimera chassis & because rhinos are infinitely easier to build than chimera).
I have some weapons rigs worked up that I can swap out. Keeping weapons choices similar to chimera, the characteristics and stats are virtually the same rules wise in 8th edition. My core of Imperial Guards is RT era figures, and they ride in rhinos back then, so it fits!
As I whip up a few more,I’ll try and take more progress picks as I go and update here with them.
These are fun.
Here’s a bonus story that I haven’t posted, yet. Just to tide you over till I’m back up to speed!
I’m still reeling from the loss of my father, it’s been rough and I my head is just not right, yet.
You must be logged in to post a comment.